LFH71, tehlikeli durumlarda uygulanabilen bir sıcaklık ve nem vericisidir. Ürün, doğal gaz boru hattı ağının izlenmesi, elektrik santrali hava besleme sistemi için uygun olan yüksek koruma seviyesi ile dökme alüminyum gövde benimser, farmasötik fabrika temiz oda ve karmaşık çalışma koşulları ile diğer endüstriyel ortamlar. Ürün yüksek hassasiyet ve hızlı tepki ile ithal sıcaklık ve nem sensörleri benimser. Ürün, intrinsically güvenli patlamaya dayanıklı (ekran ile), kendinden güvenli toz patlamaya dayanıklı iki modele ayrılmıştır, bu da intrinsically güvenli patlamaya dayanıklı bölge 0, bölge 1'de çalışabilir, bölge 2; Kendinden güvenli toz patlamaya dayanıklı bölge 20, bölge 21, bölge 22 çalışabilir.
Özellikler
*Kendinden güvenli, toz patlamaya dayanıklı sertifikasyon
* Alüminyum döküm gövde, koruma seviyesi IP65
* LCD, sıcaklık ve nem çift ekran
* Ithal sensörler, yüksek hassasiyet, hızlı tepki
* CE, ROHS standartlarına uygundur
Verici
| Kendinden güvenliProb LFH71 ile sıcaklık ve nem verici | |
| Bağıl nem | |
Sensör | Dijital |
| Aralık aralığı | 0% ~ 100% RH |
| Çıkış | 4 ~ 20mA (iki tel) |
| Doğruluk | ±3% @ 20 ° c ve 20 ~ 80% RH |
| Tepki süresi | ≤ 15s (20 ° c, yavaş akış havası) |
Göreceli sıcaklık
| Sensör | Dijital |
| Aralık aralığı | 0 ~ 50 ° c,-20 ~ 60 ° c vb |
| Çıkış | 4 ~ 20mA (iki tel) |
| Doğruluk | Diğer doğruluk için ± 0.3 ° c @ 20'c, aşağıdaki dijital sensör sıcaklık doğruluk eğrisine bakın. |
Dijital sensör sıcaklık doğruluk eğrisi

Kendinden güvenli parametreler
| Patlamaya dayanıklı işaretleme | Ekran ile: Ex iaIICT6/T4 Ga Ekransız: Ex ia IIC T6/T4 Ga; Ex ia IIIC T200 85 ° c/T200 135 ° c Da |
| Patlamaya dayanıklı sertifika | CE24.2060X |
| Kendinden güvenli parametreler | (RH + 、 RH-) : Ui : 28VDC; li : 93mA; Pi : 0.65W; Ci : 0.02uF; Li : 0mH (T + 、 T-) : Ui : 28VDC; li : 93mA; Pi : 0.65W; Ci : 0.02uF; Li : 0mH |
| Ortam sıcaklığı | T4 : -40 ° c ~ 80 ° c; T6 : -40 ° c ~ 60 ° c |
Diğer parametreler
| Güç kaynağı | 9 ~ 28VDC |
| Maksimum güç | 0.04UV (W) (UV = besleme gerilimi) |
| Çıkış yükü | ≤ 500Ω |
| Ekran | Kendinden güvenli: İsteğe bağlı LCD ekran (arka ışıksız ünite ile) Toz kendinden güvenli: ekran yok |
| Konut malzemesi | ADC12, paslanmaz çelik prob ve sinterlenmiş mesh filtre |
| Çalışma sıcaklığı | T4: -40 ° c ~ 80 ° c; T6: -40 ° c ~ 60 ° c, 5% ~ 95% RH (yoğuşmasız) |
| Koruma sınıfı | IP65 |
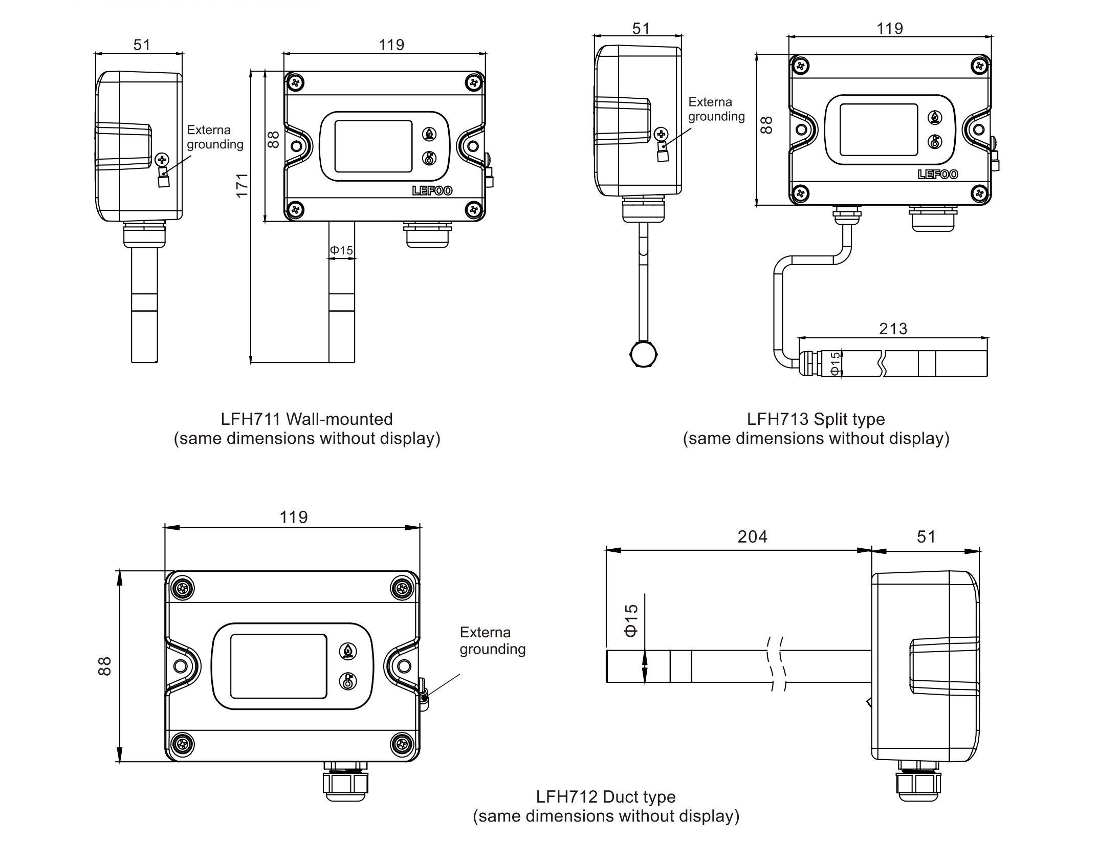
| Ağırlık | ≈ 666g (duvara monte edilmiş) ≈ 760g (kanal tipi) ≈ 813g (bölünmüş tip, erişimsiz) |
| Sertifikalar | CE, kendinden güvenli patlamaya dayanıklı, toz kendinden güvenli patlamaya dayanıklı |
Uyarı
1. Ürün muhafazası alüminyum alaşımdan yapılmıştır, lütfen darbe veya sürtünme nedeniyle kullanım sırasında ateşleme riskini önleyin.
2. Kurulum sırasında konut güvenilir bir şekilde topraklanmalıdır.
3. Ürün ekranı, potansiyel bir elektrostatik yük tehlikesi ile plastikten yapılmıştır. Kullanım sırasında sürtünmeden kaçının veya silin
Temizlerken ıslak bir bezle.
4. Ürün patlayıcı toz ortamlarında kullanıldığında, potansiyel bir elektrostatik yük tehlikesi vardır, bu yüzden olmamalıdır
Şarj üreten süreçlerden, mekanik sürtünmeden, ayırma işlemlerinden, elektronik emisyondan ve
Tozun pnömatik iletimi.

Dikkat:
1. ExampLe LFH711-A4A4311B, duvara monte tip, ± 3% RH (± 0.3 'C) doğruluğu, nem çıkışı 4-20mA,
Isıcaklık çıkışı 4-20mA, sıcaklık aralığı 0 ~ 50'C, ekranlı;
2. Sıcaklık aralığı 8 olarak seçildiğinde, müşteri tarafından belirtilen sıcaklık aralığı belirtilen
Aralık, T6: -40 ° c ~ 60 ° c; T4: -40 ° c ~ 80 ° c;
3. Ekran gösterildiğinde (1), sadece kendinden güvenli tip (B) seçilebilir.
4. Ürünün sensör probunun yüksek konsantrasyonlarda kimyasal gazlara uzun süre maruz kalması sensöre neden olabilir
Vardiya okumak.


Dikkat:
Wal üzerine monte edildiğinde genleşme vidaları gereklidir; Demir plakaya monte edilirse makine vidaları gereklidir.
* Kendinden güvenli, toz patlamaya dayanıklı sertifikasyon
* Alüminyum döküm gövde, koruma seviyesi IP65
* LCD, sıcaklık ve nem çift ekran
* Ithal sensörler, yüksek hassasiyet, hızlı tepki
* CE, ROHS standartlarına uygundur
Kendinden güvenli patlamaya dayanıklı sıcaklık ve nem vericileri, ekipmanın normal veya hatalı koşullarda patlamalara neden olmayacağından emin olmak için patlayıcı gazlar, toz veya buharla tehlikeli ortamlarda kullanılır. Aşağıdaki tipik uygulama senaryoları ve endüstrileri:
1. Petrol ve gaz endüstrisi
-Senaryolar:
-Petrol ve gaz sondaj platformları (metan ve hidrojen sülfür gibi patlayıcı gazları kolayca sızan).
-Rafineriler ve kimyasal tesislerde depolama tankı alanları ve boru hattı taşıma sistemleri.
-LNG (sıvılaştırılmış doğal gaz) işleme ve depolama tesisleri.
-Fonksiyon: ekipman korozyonunu veya anormal gaz konsantrasyonunu önlemek için ortam sıcaklığını ve nemini izleyin.
---
2. Kimyasal ve ilaç endüstrileri
-Senaryolar:
-Reaktörler, solvent depolama odaları (etanol ve aseton gibi yanıcı ve patlayıcı kimyasallar).
-Toz ortamları (toz ilaç üretim atölyeleri gibi).
-Fonksiyon: statik elektrik veya yüksek sıcaklıktan kaynaklanan patlamaları önlemek için üretim ortamı parametrelerini kontrol edin.
---
3. Kömür madenleri ve yeraltı operasyonları
-Senaryolar:
-Kömür madenleri (metan ve kömür tozu patlama riskleri).
-Tünel inşaatı (gaz birikimi alanları).
-Fonksiyon: operasyonel güvenliği sağlamak için havalandırma sisteminin sıcaklık ve nemi gerçek zamanlı izleme.
---
4. Tahıl ve depolama endüstrisi
-Senaryolar:
-Granaries, un fabrikaları (toz patlaması tehlikesi).
-Etanol depoları veya alkol üretim atölyeleri.
-Fonksiyon: toz birikimini veya spontan yanmaya neden olan aşırı nemi önler.
---
5. Havacılık ve askeri sanayi
-Senaryolar:
-Mühimmat depolama depoları.
-Fonksiyon: aşırı ortamlarda güvenlik izlemeyi sağlayın.
---
6. Diğer tehlikeli ortamlar
-Senaryolar:
-Kanalizasyon arıtma tesisleri (yanıcı biyogaz).
-Baskı atölyeleri (uçucu mürekkep buharı).
-Pil üretimi (lityum pil elektrolitlerinden uçucu gazlar).
---
İçsel güvenlik patlamaya karşı neden gereklidir?
-Güvenlik standartları: ATEX, IECEx ve UL gibi uluslararası patlamaya dayanıklı sertifikalara uyun.
-Teknik özellikler:
-Patlayıcıları ateşlemek için kıvılcım veya yüksek sıcaklıkların yeterli olmadığından emin olmak için devre enerjisini sınırlayın.
-Genellikle riskleri daha da azaltmak için izolasyon bariyerleri (güvenlik bariyerleri) ile birlikte kullanılır.
Bu tip sensör, yüksek riskli alanlarda güvenlik izleme için önemli bir cihazdır ve şartnamelere sıkı sıkıya bağlı olarak kurulmalı ve muhafaza edilmelidir.
Ürün soruşturma
16 Mar 2025
Su arıtıcıları için pompa türleri ve arızaların analizi01 Mar 2025
Soğutucu basınç dönüştürücüleri hakkında bilgi13 Feb 2025
LEFOO, Aquatech amsterdam'da yenilikler sergiliyor 202512 Jun 2024
Temiz suyun kilidini açma: güçlendirici pompalar arıtma sistemlerini nasıl geliştirir
English
français
Deutsch
Español
italiano
русский
português
العربية
Türkçe
Zulu
